首页
关于我们
产品中心
解决方案
新闻资讯
联系我们
Moral integrity harmony and win-win
厚德诚信 和谐共赢
公司坚持高起点、高技术、高质量的原则为客户提供称心满意的产品及完美的
配套服务。真诚愿与各界人士携手并进、共谋发展!
您当前的位置:
首页
≡
公司新闻
≡
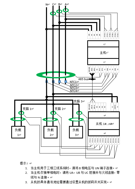
用电安全集体宿舍 新产品
新闻资讯
用电安全集体宿舍 新产品
来源:
|
作者:
联控
|
发布时间:
2020-12-22
|
2280
次浏览
|
🔊
点击朗读正文
❚❚
▶
|
分享到:
上一篇:
科技关怀老人服务
下一篇:
联控电子2020年五......
新闻资讯
公司新闻
行业新闻
20